Vintage Luxman AS-10 Transformer-Based Constant Impedance Attenuators
Serendipity once again came into play with Yazaki-san telling me about his recent acquisition of a pair of vintage Luxman AS-10 transformer-based constant impedance attenuators that were popular in Japanese audio culture way back when, but are rather hard to come by these days due to being out of production for a long time.

Yazaki-san's vintage Luxman AS-10 transformer-based constant impedance attenuators.
The Luxman AS-10 transformer-based constant impedance attenuators are vintage audio products from the 1970s, and were available primarily in the Japanese audio marketplace, and are not in production any more.
You might be wondering, "What the heck are transformer-based constant impedance attenuators?"
Good question! To answer that question let's first take a step back and look at the sensitivity of the low-frequency and high-frequency drivers used in typical two-way loudspeakers, like my Altec Corona 832A loudspeakers.
High-frequency drivers like the Altec 802D compression drivers have a higher sensitivity rating than low-frequency drivers like my Altec 803As.
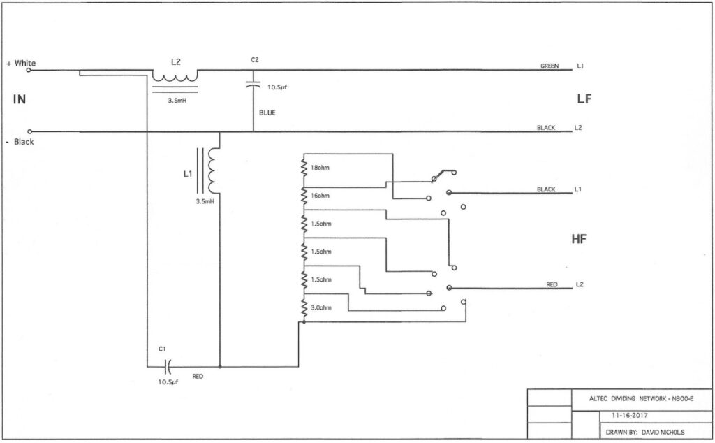
To balance the energy output of the low & high-frequency drivers, a resistance network is included in the high-frequency crossover circuit to reduce the energy output of the 802D compression driver, which you can see in the N800E crossover schematic.

In the case of Altec N800E crossovers, instead of a fixed-resistor arrangement like most loudspeakers use, Altec used their pro-audio approach and built in a variable resistance network that could attenuate the high-frequency drivers in 1.5 dB steps from 0 to 6 dB, so that the drivers could be balanced in various rooms or to the listener's tastes.
If one's loudspeakers were sounding a bit too bright and forward in a room, the listener could increase the attenuation of the high-frequency drivers to bring the sound quality back into balance.
Likewise, if the loudspeakers were sounding a bit too dull and laid back, one could decrease the attenuation of the high-frequency drivers to bring the sound quality back into a more natural-sounding balance.
I was intrigued by Yazaki-san's approach of using the Luxman AS-10s for high-frequency attenuation, and as I talked with my audio pals around the world, most of them favored using transformer-based constant impedance attenuators instead of high-frequency resistance networks or L-pads for attenuation, citing greatly improved sound quality.
I found that replacing the stock Altec N800E resistance network with an L-pad worked quite well, sounded good, and allowed me to "tune" the high-frequency output so that it matched my room and listening preferences.
However, I could hear that the L-pad was reducing the level of musical information coming through in the high-frequency circuit compared to what I was hearing in the low-frequency circuit, which is a testimony to the transparency of the Duelund CAST pure copper capacitors and inductors.
The Luxman AS-10s were said to offer superior sound quality compared to L-pads, as the AS-10s utilize transformers rather than resistors for attenuation, which preserves the original signal going to the high-frequency drivers, instead of degrading it the way L-pads would.

Audio Note (UK) AN-S4/L step-up transformer.
Here's a way to think about transformer-based attenuators: Most of you are familiar with using a step-up transformer (SUT) for moving-coil phonograph cartridges, like the AN-S4 SUT shown above.
The transformer in a SUT takes the minuscule signal output from the moving-coil cartridge and "steps it up" to a voltage that is usable by the phono preamplifier, while preserving all the nuance of that minuscule signal.
You can think about transformer-based attenuators as SUTs working in reverse, where they take an input signal and "step it down" to achieve a particular amount of attenuation, while still preserving all the nuance of the original input signal.
The big advantage of transformer-based attenuators like the Luxman AS-10s is that they eliminate the sound quality degradation due to the high-frequency resistor network (or L-pads) in the high-frequency crossover circuit.
Another advantage of the Luxman AS-10 is it also maintains constant impedance, so that the input and output impedance remains consistent regardless of the attenuation setting.
So to sum up, the Luxman AS-10 allows the listener to balance the energy output of the high-frequency drivers without degrading the sound quality like a high-frequency resistor network or L-pad would.
I checked daily for listings of pairs of Luxman AS-10s for sale, but I didn't see any for sale for quite some time, as they are becoming difficult to come by. When I was about to give up on finding a pair of AS-10s, I found a pair for sale in Japan on eBay, and bought them.

I only need a maximum of 6 dB attenuation for the same range of attenuation that the original Altec N800E crossovers provided, and the Luxman AS-10 provides eleven 1 dB steps of attenuation in 2 selectable levels: 0 to 10dB, and 10 to 20 dB via their front panel rotary switches.

The Luxman AS-10 is a very user friendly design. If one needs a range of 10 to 20 dB of attenuation, the "range" switch at the top of the back panel is depressed to the right. If you need 0 to 10 dB of attenuation like I do, the switch is depressed to the left.
Notice the four screws in the center of the back panel labeled 3, 4, 5, and 6, as well as the jumper between 4 and 6. The AS-10 can accommodate 4 Ohm, 8 Ohm, and 16 Ohm drivers depending on where the jumper is positioned. When the jumper is positioned between 4 and 6 the AS-10 is setup for 16 Ohm drivers, like my vintage Altec drivers.
Notice the "input" binding posts on the left side of the AS-10s chassis, and the "output" binding posts on the right side of the chassis.
The positive lead from the HF crossover circuit connects to the top "input" binding post, and the negative lead to the bottom "input" binding post.
Then a positive wire from the top "output" binding post connects to the driver, in my case the Altec 802D compression driver, and a negative wire connects from the bottom "output" binding post.
That's all there is to it. It takes longer to explain than it actually takes to hook everything up to the Luxman AS-10. I love the user-friendly design of the Luxman AS-10.

After FedEx dropped off my Luxman AS-10s that had just arrived from Japan, I immediately unpacked them, then removed the L-pads from the high-frequency circuit of the breadboard crossovers, and installed the AS-10s in their place.
Please click on the link below to go to the next page.


























